瓜德鲁普统-乐平统界线生物灭绝事件(简称“GLB事件”),又称为“瓜德鲁普世末生物灭绝事件”,被认为是全球性的灭绝事件,不仅对部分海洋生物造成了影响,也导致了陆地生物系统的破坏和毁灭。

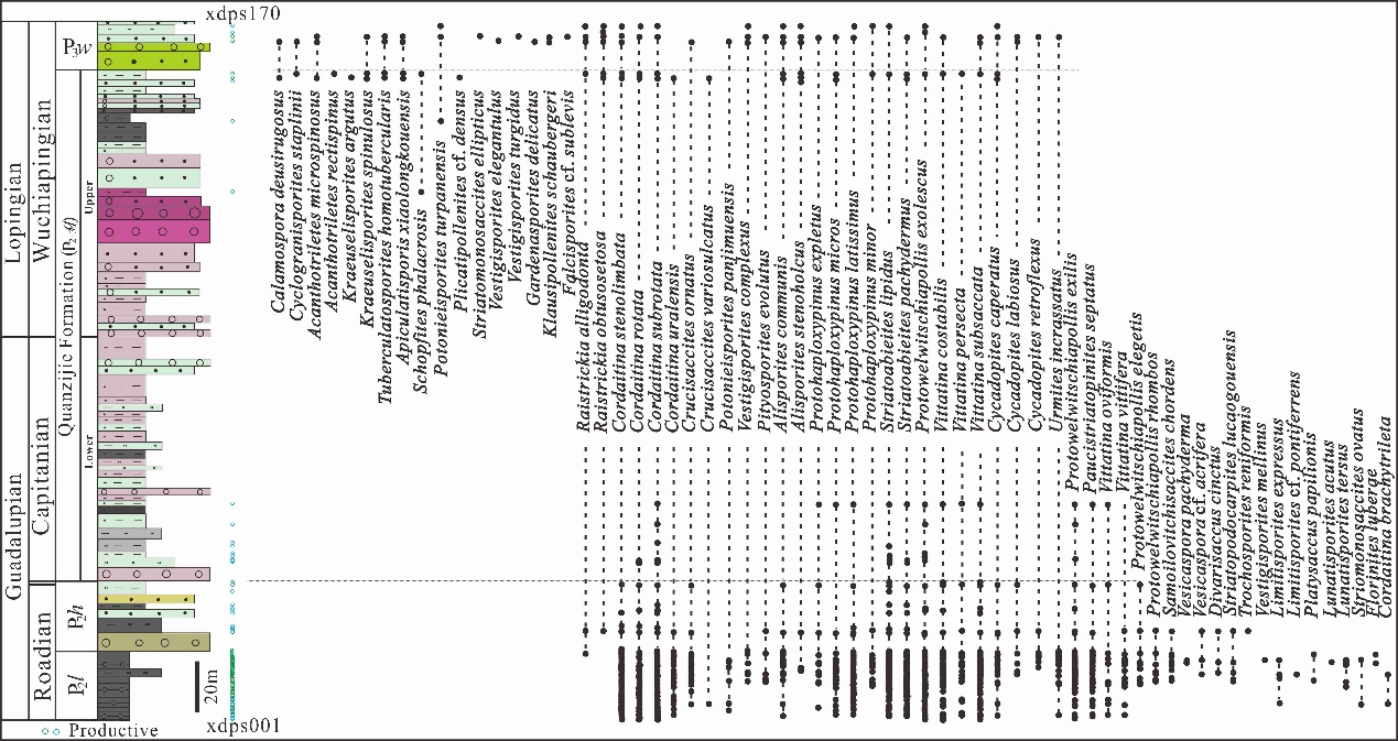
吉林大学东北亚国际地学研究与教学中心、古生物学与地层学研究中心孙跃武教授课题组,自2017年以来依托国家自然基金委项目等,对准噶尔盆地中-晚二叠世地层开展孢粉地层以及GLB事件研究。通过对新疆吉木萨尔大龙口剖面芦草沟组上段、红雁池组、泉子街组和梧桐沟组下段采集的170件孢粉样品进行详细的分析、鉴定工作,自下而上划分出两个孢粉组合:芦草沟组上部–泉子街组下段的Cordaitina subrotata–Striatoabieites lipidus–Protowelwitschiapollis exolescus (CSP)、泉子街组上段–梧桐沟组下段的Kraeuselisporites spinulosus–Tuberculatosporites homotubercularis–Potonieisporites turpanensis (KTP)。依据孢粉化石,将芦草沟组上部和红雁池组的地质时代确定为罗德期,泉子街组下段确定为卡匹敦期晚期,泉子街组上段和梧桐沟组底部为吴家坪早期。因此,红雁池组与泉子街组之间缺失了沃德期地层。

同时,根据孢粉化石的垂向分布,发现芦草沟组顶部和红雁池组的下部孢粉组合CSP中,有21种花粉未出现在晚二叠世泉子街组与梧桐沟组底部。但其中有10种花粉发现于准噶尔盆地的晚二叠世梧桐沟组和锅底坑组,2种花粉见于内蒙古的晚二叠世林西组。因此,仅剩下9个种的花粉未在全球晚二叠世孢粉植物群中发现。综合来看,整个CSP组合的53个物种中仅有9个种绝灭,粗略计算其灭绝率为17%,远低于大灭绝事件75%以上的高灭绝率,不具有大宗灭绝特征,属于背景灭绝。

上述研究成果《Terrestrial end-Guadalupian crisis constrained by mid-latitude Permian palynological data from Jimsar, Junggar Basin, China》发表在地质学期刊《Review of Palaeobotany and Palynology》。DOI: 10.1016/j.revpalbo.2025.105445.